Page 1925 - Foton Workshop Manual - Sauvana
P. 1925
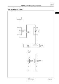
CIRCUIT - SYSTEM SCHEMATIC DIAGRAM 61-135
DAY RUNNING LAMP
61
Battery
2
C65
Engine Internal
F2 F6
60A compartment 20A fuse
fuse box box
A40 C206 C05
4 A306
WB-
5
C56
Daytime running
Daytime lamp power supply BCM Body
running lamp control unit
C56
C56
11
C201
19 A301
RG-
RG- RG-
1 1
Left daytime Right daytime
running lamp running lamp
A 44 A43
2 2
B B
A25 A07
Page 1925

