Page 1008 - PowerPoint 演示文稿
P. 1008
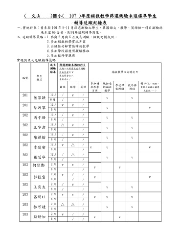
( 文山 )國小( 107 )年度補救教學篩選測驗未達標準學生
輔導追蹤紀錄表
一.實施對象:曾參與 106 年 9-11 月篩選測驗之學生,其國語文、數學、英語任一科目測驗結
果未達 60 分者,則列為追蹤輔導對象。
二.追蹤輔導策略:1.參與 2 月與 6 月成長測驗,檢視受輔成效。
2.參加補救教學實施方案
3.由級任老師實施補救教學
4.參加學校課後照顧服務班
5.參加校外安親班
實施對象及追蹤輔導策略
成長 篩選測驗未過的科目
測驗 比前一次篩選或成長測驗
結果 有成長者打 v 補救教學方式請打 v
學生 未成長者打△
編號
姓名 未測者打∕
參加補 級任老 備註(志工補救、
國語 數學 英語 救教學 師補救 學校課 校外安 需第三級補救輔導
後照顧
親班
方案 教學 或其他……)
201 12 月 / v /
葉宗穎 v v
6 月 / /
201 12 月 v v /
蔡沂家 v v
6 月 /
202 12 月 / v /
馮于珊 v v
6 月 / /
202 12 月 △ v /
王宇濬 v v
6 月 /
202 12 月 / v /
陳祺翰 v v
6 月 / /
202 12 月 v △ /
李婕瑜 v v v
6 月 /
202 12 月 / △ /
張芯寧 v v
6 月 / /
203 何佳勳 2 月 v v /
6 月 / v v
203 2 月 v / /
郭桂雲 v v
6 月 / /
203 2 月 / v /
王奕太 v v
6 月 / /
203 2 月 v v /
呂明旺 v v v
6 月 /
203 2 月 △ △ /
林可婕 v v
6 月 /
203 2 月 v / /
蘇妍如 v v
6 月 / /

