Page 1011 - PowerPoint 演示文稿
P. 1011
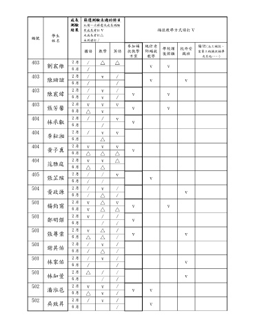
成長 篩選測驗未過的科目
測驗 比前一次篩選或成長測驗
結果 有成長者打 v 補救教學方式請打 v
學生 未成長者打△
編號
姓名 未測者打∕
參加補 級任老 備註(志工補救、
國語 數學 英語 救教學 師補救 學校課 校外安 需第三級補救輔導
親班
後照顧
方案 教學 或其他……)
403 2 月 / △ △
劉宸維 v v
6 月 /
403 2 月 / v /
陳珊誼 v v
6 月 / /
403 2 月 / v /
陳宸緯 v v
6 月 / v /
403 2 月 v v v
張芳馨 v v
6 月 △ v
404 2 月 / / v
林承叡 v
6 月 /
404 2 月 / v v
李耘湘
6 月 △
404 2 月 v v v
黃子真 v
6 月 △ △ △
404 2 月 v v △
范雅庭
6 月 △ △
405 2 月 / / v
張芷瑄 v
6 月 / /
504 2 月 / v /
黃政源 v
6 月 / △ /
501 2 月 v △ v
楊鈞甯 v v
6 月 v △ △
501 2 月 v / /
鄭明傑 v
6 月 / /
501 2 月 v △ /
張尊棠 v v
6 月 △ △ /
501 2 月 / v /
謝其佑
6 月 / △ /
501 2 月 / v /
林家佑 v
6 月 / /
501 2 月 △ / /
林知萱 v
6 月 / /
502 2 月 v v /
潘泓邑 v v
6 月 △ v /
502 2 月 / v /
吳致昇 v
6 月 /

