Page 1014 - PowerPoint 演示文稿
P. 1014
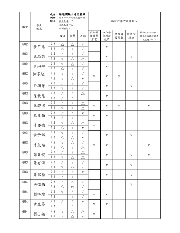
成長 篩選測驗未過的科目
測驗 比前一次篩選或成長測驗
結果 有成長者打 v 補救教學方式請打 v
學生 未成長者打△
編號
姓名 未測者打∕
參加補 級任老 備註(志工補救、
國語 數學 英語 救教學 師補救 學校課 校外安 需第三級補救輔導
親班
後照顧
方案 教學 或其他……)
602 2 月 △ △ /
黃芊惠 v
6 月 △ v /
602 2 月 / v /
王思旋 v v
6 月 v △ △
602 2 月 v △ /
黃湘婷 v
6 月 △ v /
602 林淳婭 2 月 v v /
v v v
6 月 v △ v
603 2 月 / v /
許翃葦 v v
6 月 v v /
603 2 月 / / △
陳牧恩 v
6 月 / /
603 2 月 / v △
宋郡熙 v v v v
6 月 v v △
603 2 月 / / v
戴嘉榮 v v
6 月 / v
603 2 月 v △ △
李亦倫 v
6 月 △ v v
603 2 月 v v /
黃于誠 v v
6 月 △ △ v
603 2 月 v △ /
李苡瑄 v v v
6 月 △ v △
603 2 月 / v △
鄭天悅 v v v
6 月 v △ △
603 張有涵 2 月 / v /
v v
6 月 v △ /
603 2 月 / / v
李家蓁 v v
6 月 / v
604 2 月 / △ /
洪愷駿 v
6 月 △ vv /
604 2 月 v / /
劉得瑋 v v
6 月 v /
604 2 月 / / v
黃生喜 v v
6 月 /
604 2 月 v △ △
劉士銨 v
6 月 v △ v

