Page 451 - 2019종합카다로그_Pressure gauge
P. 451

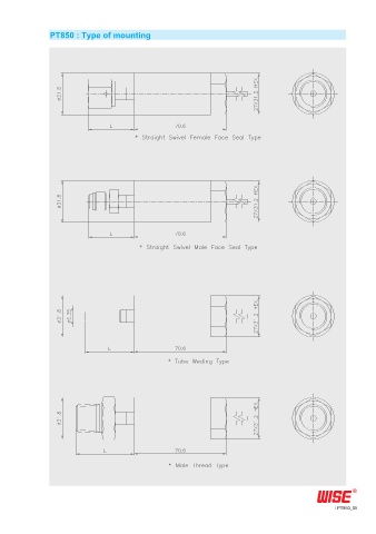
PT850 : Type of mounting

















































































                                                                                               PT850_05
   446   447   448   449   450   451   452   453   454