Page 2377 - Foton Workshop Manual - Sauvana
P. 2377
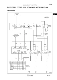
DIAGNOSIS-LIGHTING SYSTEM 62-325
BOTH SIDES OF THE HIGH BEAM LAMP ARE ALWAYS ON
Circuit Diagram
62
Battery
Backlight
lighting sysytem
4 2
3 2 1 3
Engine
F27 High beam Low beam F22 F21 compartment Headlamp
15A 10A 10A plain shaft
relay R06 relay R02 fuse box A40
switch C06
5 1 2 5
3 5 1
B
A304
16 17 C205
Air conditioning C204 3 4 A305
system C01
(Sunlight environment
light sensor )
YR- O V R-
30 14 15 V YB- YB- G Y R- YR-
C57 C57 C57
Sunlight High beam Low beam
temperaturesensor control terminal control terminal
BCM 1 2 4 5 1 2 4 5
BCM C57 High Low High Low
Automatic beam beam beam beam
headlight Overtaking High C58 Right front
Low dimmer lamp beam combination Shaft Left front
beam switch switch switch switch Shaft headlight adjust combination
adjust headlight A28
C58 C57 C58 C58 motor A03 motor
6 28 8 7
7 6 7 6
B B B B
LG- YW- G B LR-
11 12 13 14 15 16 19 20
OFF
AUTO
Marker
lamp Combination
Headlight light switch B B B
Low C16
beam
High
beam
Overtaking
Lighting switchDimmer switch
C01 A07 A25 fuwx62801
Page 2377

