Page 2479 - Foton Workshop Manual - Sauvana
P. 2479
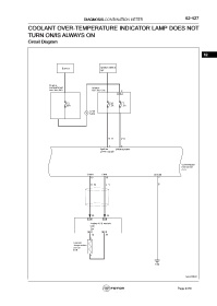
DIAGNOSIS-COMBINATION METER 62-427
COOLANT OVER-TEMPERATURE INDICATOR LAMP DOES NOT
TURN ON/IS ALWAYS ON
Circuit Diagram
62
Battery Ignition switch
Ig2
Engine
compartment Interior
fuse box A40 fuse box C05 2
C65
F2 F26 F7
60A 7.5A 7.5A
C206
4 A306
OR- VB-
1 3
Ignition Battery power
power supply
Combination
instrument
C23
CANH CANL Ground
16 15 2
RW- LY- B
45 44
C99 C99
Engine ECU module
C99
E01
E01 E01
14 57
1
Coolant
temperature
sensor
E18
2
C22
fuwx62922
Page 2479

