Page 1499 - Workshop Manual - Tunland (2017)
P. 1499

LUBRICATION - LUBRICATION SYSTEM                              18-3

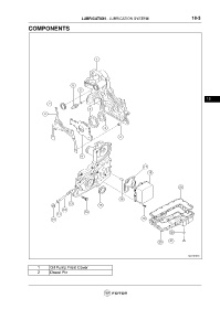
                 COMPONENTS









                                                       1







                                         6
                                             5

                                                                                                                     18
                            7
                                                   4
                          8



                                                           3

                                                                    2





                                               9


                                                                                 17
                                                                                    18



                                                                                                     23


                                                                    16
                                        13
                                                        15
                                    12
                                                14
                                 11
                              10                                                19


                                                                                                  22

                                                                                                  21
                                                                                         20


                                                                                                          ftwx181040


                      1      Oil Pump Front Cover
                      2      Dowel Pin
   1494   1495   1496   1497   1498   1499   1500   1501   1502   1503   1504