Page 44 - Destaco - Precision Parallel Grippers
P. 44
RP-43P Series
2-Jaw Precision Parallel Grippers | Dimensions and Technical Specifications
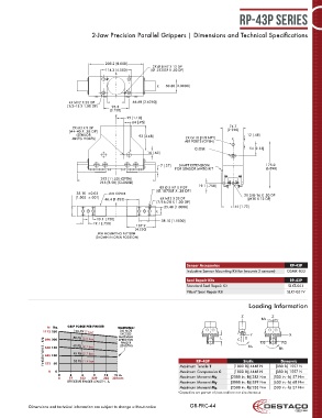
203.2 [8.000]
2X Ø 8 H7 X 12 DP
114.3 [4.500] [Ø .3125SF X .50 DP]
L C
L C 50.80 [2.0000]
4X M12 X 25 DP 66.68 [2.6250]
[1/2-13 X 1.00 DP] 95.3
[3.750]
L C 29 [1.13]
24 [.95]
2X M3 X 9 DP 74.7
[#4-40 X .38 DP] [2.940]
(SENSOR 93 [3.68] 12 [.48]
MNTG HOLES) 2X G1/8 [1/8 NPT] L C
AIR PORTS (OPEN)
CLOSE 54 [2.13]
16 [.63]
7 [.27] SHAFT EXTENSION 175.0
FOR SENSOR MNTG KIT [6.890]
292 [11.50] (OPEN)
216 [8.50] (CLOSED)
8X Ø 5 H7 X 9 DP 19.1 [.750]
[Ø.1875SF X .38 DP ]
38.10 ±0.03 JAW COVER
[1.500 ±.001] 6X M12 X 25 DP 2X 3/8-16 X .50 DP
46.4 [1.825] [M10 X 12 DP]
L C [7/16-20 X 1.00 DP]
25.40 [1.0000] 44 [1.72]
L C
19.1 [.750] 38.10 [1.5000]
19.1 [.750] 107.9
[4.250]
JAW MOUNTING PATTERN
(SHOWN IN OPEN POSITION)
Sensor Accessories RP-43P
Inductive Sensor Mounting Kit for (mounts 2 sensors) OSMK-033
Seal Repair Kits RP-43P
Standard Seal Repair Kit SLKT-051
®
Viton Seal Repair Kit SLKT-051V
Loading Information
Z Z
MZ
N lbs. GRIP FORCE PER FINGER WARNING!
1113 250 100 PSI [7 bar] DO NOT
EXCEED Y X
MAXIMUM L C T F/2 F/2
FINGER FORCE - F/2 668 150 60 PSI [4.1 bar] LENGTHS RP-43P Static MY Dynamic
80 PSI [5.5 bar]
200
890
EFFECTIVE
FINGER
MX
40 PSI [2.7 bar]
445
100
20 PSI [1.4 bar]
223
[1000 lb] 4448 N
Maximum Compressive C
[350 lb] 1557 N
0 50 0 Maximum Tensile T [1000 lb] 4448 N [350 lb] 1557 N
0 3 6 9 12 15 in.
0 77 153 229 305 381mm Maximum Moment Mx [2500 in.-lb] 283 Nm [500 in.-lb] 57 Nm
EFFECTIVE FINGER LENGTH - L Maximum Moment My [3000 in.-lb] 339 Nm [600 in.-lb] 68 Nm
Maximum Moment Mx [2500 in.-lb] 283 Nm [500 in.-lb] 57 Nm
† Capacities are per set of jaws and are not simultaneous
Dimensions and technical information are subject to change without notice GR-PRC-44

