Page 218 - Parker - Republic/Manatrol (Hydraulic and Pneumatic Control Valves)
P. 218

Catalog HY14-3000/US                              Accessories
            Dimensions                                        Series GTS


            Millimeter equivalents for inch dimensions are shown in (**)
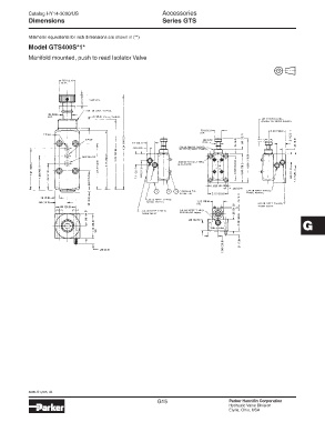
            Model GTS400S*1*

            Manifold mounted, push to read Isolator Valve




































                                                                                                                   G    H







































            3000-G1.p65, dd
                                                            G15                        Parker Hannifin Corporation
                                                                                       Hydraulic Valve Division
                                                                                       Elyria, Ohio, USA
   213   214   215   216   217   218   219   220   221   222   223