Page 175 - เขียนแบบวิศวกรรม
P. 175

174

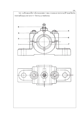
                            13.8  จงเขียนแบบเพื่อการสั่งงานหมายเลข 1 และ 2 ของแบบภาพประกอบที่ก าหนดให้ลงใน

                         กระดาษเขียนแบบ A3 ขนาด 1:1 วัดจากแบบภาพประกอบ
   170   171   172   173   174   175   176   177   178   179   180