Page 1131 - 2006 HARLEY FLSTCI SERVICE MANUAL
P. 1131
Engine stop switch
System relay Fuel pump To right hand controls 3 3 4 5 [22B] [22A] To speedometer TSM/ TSSM
4 5
GY W/BK W/BN
BK
[62B] O/GY – sensor 7 7
[86A] Battery TP 3 2 3 2
87A 1 2 3
87 30 85 86 +
1 2 3 sensor
IQ C P R [86B] MAP [30B] [30A]
Y/GN BE/GY GN/O W/BK 15 Amp fuel pump fuse BK [83A] Coil 30 Amp main circuit breaker Ignition switch AB C [88B] [88A] ET sensor IAT sensor [80B] [80A] AB C
A B C
AB C
[83B] AB C D R BK/W R/W GY/V BK/W V/W R/W Vehicle speed sensor Data link connector
C D
AB
[90B] [90A] 1 1 2 2 A A B [89B] [89A] [91A] 2 4
Y/GN
B
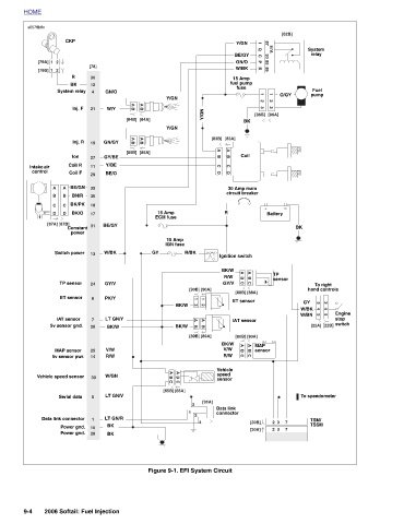
R/BK 3 1 Figure 9-1. EFI System Circuit
Y/GN Y/GN 15 Amp ECM fuse 15 Amp IGN fuse BK/W BK/W A B C [65B] [65A]
B C
A
[84A] [85A] GY
AB AB
[84B] [85B]
AB AB
GN/O W/Y GN/GY GY/BE Y/BE BE/O BE/GY W/BK GY/V PK/Y LT GN/Y BK/W V/W R/W W/GN LT GN/V LT GN/R BK BK
[78] 30 12 4 21 19 27 11 29 35 36 18 17 31 13 24 6 7 26 25 14 33 5 1 10 28 2006 Softail: Fuel Injection
System relay Inj. F Inj. R Ion Coil R Coil F BE/GN BN/R BK/PK BK/O Constant power ET sensor Power gnd. Power gnd.
BK
CKP A B C D [87B] Switch power TP sensor IAT sensor 5v sensor gnd. MAP sensor 5v sensor pwr. Serial data Data link connector
R
12 12 A B C D [87A] Vehicle speed sensor
HOME s0579b8x [79A] [79B] Intake air control 9-4

