Page 356 - เอกสารประกอบการสอนวิชาไมโครคอนโทรลเลอร์เบื้องต้น
P. 356
เอกสารประกอบการสอนวิชาไมโครคอนโทรลเลอร์เบื้องต้น 8
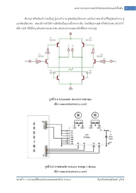
สังเกตุว่าสวิตช์จะท างานเป็นคู่ คู่แรกท างาน คู่สองต้องเปิดวงจร และในทางตรงข้ามก็คือคู่สองท างาน คู่
แรกต้องเปิดวงจร ต่อมามีการท าให้การเปิดปิดเป็นแบบที่ง่ายกว่าเดิม โดยใช้อุปกรณ์สารกึงตัวน าเช่น MOSFET
หรือ IGBT หรืออื่นๆ แล้วแต่ความเหมาะสม เช่นขนาดกระแสแรงดันที่ต้องการควบคุม
รูปที่ 8.4 Schematic ของวงจร H-Bridge
(ที่มา www.Arduitronics.com)
รูปที่ 8.5 การต่อบอร์ด Arduino ควบคุม H-Bridge
(ที่มา www.Arduitronics.com)
หน่วยที่ 8 การควบคุมดีซีมอเตอร์และสเตปมอเตอร์ด้วย Arduino เรียบเรียงโดยครูทันพงษ์ ภู่รักษ์

