Page 339 - Laporan PPL PPG Daljab Tahap 3
P. 339

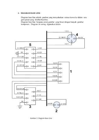
2.  DIAGRAM BASE LINE

                          Diagram base line adalah  gambar yang menyalurkan  semua kawat ke dalam  satu
                          garis pusat yang  disebut baseline.
                          Diagram base line  berguna untuk gambar  yang besar dengan banyak  gambar
                          komponen.  Diagram ini sering  digunakan dalam











































                                     Gambar 2. Diagram Base Line
   334   335   336   337   338   339   340   341   342   343   344