Page 340 - Laporan PPL PPG Daljab Tahap 3
P. 340

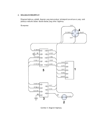
3.  DIAGRAM HIGHWAY

                          Diagram highway adalah  diagram yang menyatukan  kelompok kawat-kawat yang  arah
                          jalurnya sama ke dalam  ikatan-ikatan yang sebut  highway.

                          Komponen-komponen  diletakkan sesuai dengan  posisi aslinya






































                                                  Gambar 3. Diagram Highway
   335   336   337   338   339   340   341   342   343   344   345