Page 1134 - Foton Workshop Manual - Auman EST-M
P. 1134
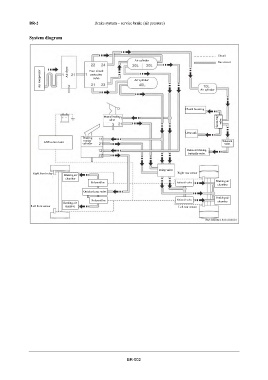
BR-2 Brake system – service brake (air pressure)
System diagram
Circuit
Air cylinder
Gas circuit
Air compressor Air dryer Four circuit Air cylinder
protective
valve
Air cylinder
Clutch boosting
Seven-way valve
Manual braking
valve
Urea tank
Braking
ABS control unit master Solenoid
cylinder valve
Exhaust braking
butterfly valve
Relay valve
Right front relay Right rear sensor
Braking air
chamber
Solenoidlve Solenoid valve Braking air
chamber
Quick release valve
Braking air
Solenoidlve Solenoid valve
Braking air chamber
Left front sensor chamber Left rear sensor
BR-002

