Page 612 - Foton Workshop Manual - Sauvana
P. 612

12C-172                   ENGINE MECHANICAL SYSTEM - DRIVETRAIN

           DRIVETRAIN


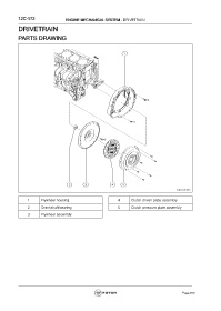
           PARTS DRAWING




                                                                      1











































                                       2        3              4     5
                                                                                                   fuwx12C455

                1       Flywheel housing                          4       Clutch driven plate assembly

                2       Crankshaft bearing                        5       Clutch pressure plate assembly
                3       Flywheel assembly

























                                                                                                      Page 612
   607   608   609   610   611   612   613   614   615   616   617