Page 2283 - Workshop Manual - Tunland (2017)
P. 2283

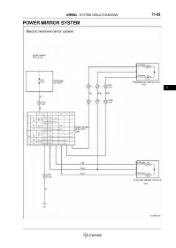
WIRING - SYSTEM CIRCUIT DIAGRAM                             71-83

                 POWER MIRROR SYSTEM


























                                                                                                                     71
   2278   2279   2280   2281   2282   2283   2284   2285   2286   2287   2288