Page 2286 - Workshop Manual - Tunland (2017)
P. 2286

71-86                         WIRING - SYSTEM CIRCUIT DIAGRAM

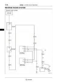
           REVERSE RADAR SYSTEM


























      71
   2281   2282   2283   2284   2285   2286   2287   2288   2289   2290   2291