Page 2299 - Workshop Manual - Tunland (2017)
P. 2299

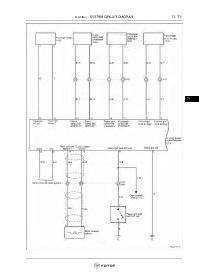
WIRING - SYSTEM CIRCUIT DIAGRAM                             71-99





























                                                                                                                     71
   2294   2295   2296   2297   2298   2299   2300   2301   2302   2303   2304