Page 2302 - Workshop Manual - Tunland (2017)
P. 2302

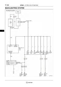
71-102                        WIRING - SYSTEM CIRCUIT DIAGRAM

           BACKLIGHTING SYSTEM


























      71
   2297   2298   2299   2300   2301   2302   2303   2304   2305   2306   2307