Page 2306 - Workshop Manual - Tunland (2017)
P. 2306

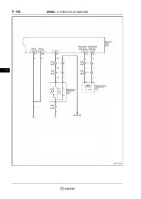
71-106                        WIRING - SYSTEM CIRCUIT DIAGRAM





























      71
   2301   2302   2303   2304   2305   2306   2307   2308   2309   2310   2311