Page 19 - Exlar - SLM/SLG series brushless AC or DC servo motor/integrated servo gearmotor
P. 19
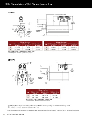
SLM Series Motors/SLG Series Gearmotors
SLG060
1.25
DIM "B" 31.7
0.38
9.7
2.8
0.12 72 4.0
102
3.0
0.1969 h9 +0.0000 VARIES WITH
- 0.0012
CONNECTOR
5.00 h9 0.00 0.98 OPTIONS
-0.03
25.0
0.08
2.0
2.36 0.70
60.0 17.9
0.6300 j6 +0.0003
1.18 -0.0001
30.0 1.9685 g6 -0.0004 16.00 j6 +0.01
-0.0010
-0.00
50.00 g6 -0.01
-0.03
2.75 B.C.
1.18 70.0 1.43
30.0 36.2 DIM "A"
4X 0.22
2.36 THRU ALL
60.0
1 Stage Gearhead 2 Stage Gearhead
DIM 1 Stack Motor 2 Stack Motor 3 Stack Motor DIM 1 Stack Motor 2 Stack Motor 3 Stack Motor
in (mm)
in (mm)
in (mm)
in (mm)
in (mm)
in (mm)
A 6.92 (175.6) 8.17 (207.4) 9.42 (239.1) A 7.96 (202.2) 9.21 (233.9) 10.46 (265.7)
B 4.71 (119.6) 5.96 (151.4) 7.21 (183.1) B 5.75 (146.2) 7.00 (177.9) 8.25 (209.7)
Add 1.02 inches (25.9 mm) to Dimensions A and B if ordering a brake.
Face plate edge is not intended for alignment of shaft (use pilot)
SLG075
DIM "B"
0.1969 h9 +0.0000
-0.0012
5.00 h9 0.00
-0.03
0.45
11.5
2.0
0.11 51
2.8 3.5
90
0.79 VARIES WITH
CONNECTOR
20.0 OPTIONS
0.08
1.9
3.05 0.70
77.4 17.9
0.6299 j6 +0.0003
- 0.0001
1.52 2.5591 g6 -0.0004 16.00 j6 +0.01
-0.0011
38.7 65.00 g6 -0.01 -0.00
-0.03
3.74 B.C.
95.0
1.52 1.18
38.7 4X 0.26 6.5 30.0 DIM "A"
THRU ALL
3.05
77.4
1 Stage Gearhead
DIM 1 Stack Motor 2 Stack Motor 3 Stack Motor
in (mm)
in (mm)
in (mm)
A 6.53 (165.9) 7.53 (191.3) 8.53 (216.7)
B 5.47 (139.0) 6.47 (164.4) 7.47 (189.8)
Add 1.23 inches (31.2 mm) to Dimensions A and B if ordering a brake.
Face plate edge is not intended for alignment of shaft (use pilot)
Due to the size of many absolute encoders, the selection of such feedback results in a larger package size than is shown in drawings. Consult
Exlar for details, or refer to the drawings provided after receipt of order.
Pre-sale drawings and models are representative and are subject to change. Certified drawings and models are available for a fee. Consult your local Exlar representative for details.
174 952.500.6200 | www.exlar.com

