Page 19 - Destaco - RGD/RGS Series
P. 19
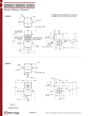
600RGD/600RGS Series
Precision Indexing | Dimensions
**
1.250 4 TAPPED MOUNTING HOLES IN ANY ONE OF SIX
600RGD 4.250 4.250 FINISHED SIDES, TO BE SPECIFIED BY CUSTOMER
Ø1.3749
8.500
**
4X .50-13UNC X .88
4X .375-24UNF 8.500 .50 1.38
ON Ø3.250 B.C. .50
1.38 .28 8.50 1.25 .75
45°
+.000
-.001
2X Ø.312 X .38 4X Ø.344 X 75 DP. Ø9.00
ON Ø3.250 B.C. 4X .312-18UNC X.75 Ø5.75
Ø3.250 ON Ø4.750 B.C. 15.00
Ø2.50
13.75 THRU 6.25 16.50
+.0000 12.00
-.0005
Ø6.00 Ø3.9370
Ø8.132
.312
KWY. 8X .50-13UNC X .75
.59 4.75 11.00
3.59 9.50
16.68
1.250
600RGS
.312
KWY.
8.500
Ø1.3749
** 4X .50-13UNC X .88
.50
KWY.
Ø2.250
5.50
1.38 4.250 4.250 .50 8.50 1.25
.75
+.000
-.001
Ø9.000
13.75
6.250 16.50
15.00
12.00
Ø6.00 Ø8.132
8X .50-13UNC
.75 DP.
.59
4.75 5.50
Unless otherwise noted,
3.59
all dimensions are in inches. 9.50 11.00
16.68
600RGD-600RGS
Unless otherwise noted,
all dimensions are in mm.
IN-RGS-19 Dimensions and technical information are subject to change without notice

