Page 17 - Destaco - RGD/RGS Series
P. 17
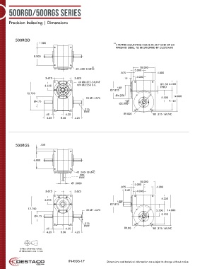
500RGD/500RGS Series
Precision Indexing | Dimensions
500RGD
1.000 ** 4 TAPPED MOUNTING HOLES IN ANY ONE OF SIX
FINISHED SIDES, TO BE SPECIFIED BY CUSTOMER
8.000
**
4X .500-13UNC 5.000 10.000
.875 4.000
3.625 3.625 .19 4.000
4X Ø0.375-24UNF
3.625 ON Ø3.250 B.C. Ø1.50 4.250
+.000 THRU
-.001
Ø7.875
12.750
Ø4.250 14.000
2X Ø1.4375 5.500
Ø4.75 +.000 9.125
-.001
Ø2.000
.375
KWY.
.45 4.25 9.000 8X .375-16UNC
4.25 8.50 4.25
500RGS .750
6.000
**
4X .500-13UNC
.500
KWY.
10.000
Ø1.5000 5.000
.875 4.000
3.625 3.625 3.44 4.000
4.250
3.625
+.000
-.001
Ø7.875
12.750
2X Ø1.4375 5.500 14.000
9.125
Ø4.75
.375
KWY.
Unless otherwise noted, .45 4.25 9.00 8X .375-16UNC
all dimensions are in inches.
4.25 8.50 4.25
Unless otherwise noted,
all dimensions are in mm. 500RGD-500RGS
IN-RGS-17 Dimensions and technical information are subject to change without notice

