Page 15 - Destaco - RGD/RGS Series
P. 15
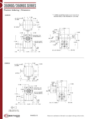
350RGD/350RGS Series
Precision Indexing | Dimensions
350RGD ** 4 TAPPED MOUNTING HOLES IN ANY ONE OF SIX
FINISHED SIDES, TO BE SPECIFIED BY CUSTOMER
2.188
**
4X .375-16 UNC 2.188
.62 DEEP
2.500
Ø1.0000 2.500
6.000
3.000
.688
2.188 2.188 2.500 2.500
.19
2X Ø.250 X .50 Ø.75
2.000 ON Ø2.000 B.C. +.000 THRU
-.001
Ø4.938
8.750
7.750 4X .312-24UNF Ø2.500
ON Ø2.000 B.C. 3.500
Ø3.56 +.000
-.001
1.250
.250
KWY.
.45 .45 8X .312-18UNC Ø4.596
1.99 5.375 1.99
350RGS 2.188
**
4X .375-16 UNC 2.188 2.500
.62 DEEP
Ø.9955
2.500
1.74 .250
KWY. +.0000
Ø1.2444 -.0005 6.000
3.000
.688 2.500
2.188 2.500
2.188 Ø2.500
2X Ø.250 X .50
2.000 ON Ø2.000 B.C. +.000
-.001
Ø4.938
4X .312-24UNF 8.750
7.750 ON Ø2.000 B.C.
3.500
Ø3.56
.250
Unless otherwise noted, KWY.
all dimensions are in inches.
.45 .45 8X .312-18UNC Ø4.596
1.99 5.375 1.99
350RGS/350RGS
Unless otherwise noted,
all dimensions are in mm.
IN-RGS-15 Dimensions and technical information are subject to change without notice

