Page 13 - Destaco - RGD/RGS Series
P. 13
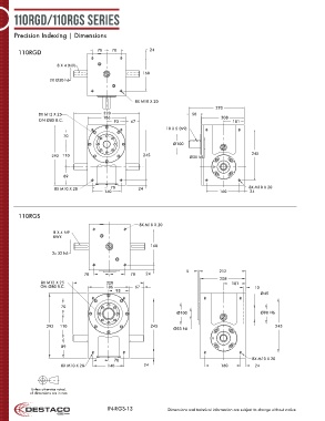
110RGD/110RGS Series
Precision Indexing | Dimensions
110RGD 70 70 24
8 X 4 (N9)
160
2X Ø30 h6
8X M10 X 20
270
8X M12 X 25 320 58
ON Ø80 B.C. 186 93 67 208 101
10 X 5 (N9)
70
Ø100
292 110 245 Ø35 h6 245
89
8X M10 X 20 70 24 8X M10 X 20
140 160 24
110RGS
8X M10 X 20
8 X 4 N9
KWY.
160
2x 32 h6
5 212
70 70 24
208
8X M12 X 25 320 101
ON Ø80 B.C. 186 67 10
93
Ø45
70
Ø100 Ø90 H6
292 110 245 245
Ø55 h6
89
Unless otherwise noted, 8X M10 X 20
all dimensions are in inches. 70
8X M10 X 20 140 24 160 24
110RGD
DIMENSIONS IN MILLIMETERS
Unless otherwise noted,
all dimensions are in mm.
IN-RGS-13 Dimensions and technical information are subject to change without notice

