Page 9 - Destaco - RGD/RGS Series
P. 9
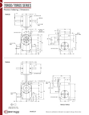
70RGD/70RGS Series
Precision Indexing | Dimensions
15
70RGD 100 15
8 X M10 X 20
Ø20 h6
100
6 X 3.5 N9
KWY.
100 15 6 X M6 X 12 150
EQ. SP. 10
50
8 X M10 X 20 ON Ø55 B.C. 130
11.25° 8 65 Ø19
HOLE THRU
50
Ø120 h7
Ø65
165
6 X 3.5 N9 70 195 165
KWY. Ø35 h6
Ø20 h6 60 8 X M10 X 20 15
65
15
50 130 50 100 15
70RGS 100 15
15
100
8 X M10 X 20
200
10 130
8 65
100 15 8 X M10 X 20 53
50 8 X 4 N9
KWY.
50
Ø120 h7
70 195 Ø25 h6 165
165
6 X 3.5 N9
KWY.
15
Ø20 h6 60 8 X M10 X 20
Unless otherwise noted,
all dimensions are in inches.
65 15
50 130 50 100 15
70RGD/70RGS
Unless otherwise noted,
all dimensions are in mm.
IN-RGS-9 Dimensions and technical information are subject to change without notice

