Page 5 - Destaco - RGD/RGS Series
P. 5
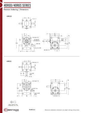
40RGD/40RGS Series
Precision Indexing | Dimensions
40RGD
35 35
8X M6 X 12
32
32
45 3 92
90
35 35 70 10 10
8 X M6 X 12
Ø13
30 (4) M4 X 8 THRU 30
ON Ø28 B.C. Ø35 Ø17 h8
100 40 120
Ø12 h6 100
45°
4 X x2.5 (N9)
(8) M6 X 12
31 90 31 45
40RGS 35 35
8X M6 X 12
32
32
40 39 5x3 (N9)
KWY.
16 h6
45 90 10
35 35 8 X M6 X 12 70 10
30 30
100 2 X Ø12 h6 40 100 120
4x2.5 (N9)
KWY.
31
Unless otherwise noted, 90 31 8 X M6 X 12
all dimensions are in inches.
Unless otherwise noted, 40RGD-40RGS
all dimensions are in mm.
IN-RGS-5 Dimensions and technical information are subject to change without notice

