Page 27 - Exlar - TRITEX linear and rotary electric actuation
P. 27

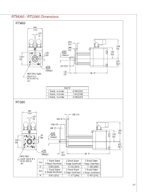
RTM060 / RTG060 Dimensions





















































































                                                                                                               27
   22   23   24   25   26   27   28   29   30   31   32