Page 5 - Destaco - RA Series Right Angle Index Drives
P. 5
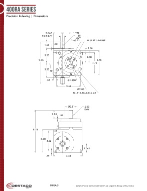
400RA Series
Precision Indexing | Dimensions
2.062 1.938
2X Ø.875 .188
KWY
2x Ø.22 4X Ø.312-24UNF
1.53 .03
2.38
3.35
2.88
9.75 5.75
4.75
3.35
45°
.62 Ø1.000
5.62
Ø2.00
8X .312-18UNC X .62
Ø2.81 .250
KWY
2.03
.03
9.78
5.38
4.62
2.062
.38 6.63
400RA
IN-RA-5 Dimensions and technical information are subject to change without notice

