Page 7 - Destaco - RA Series Right Angle Index Drives
P. 7
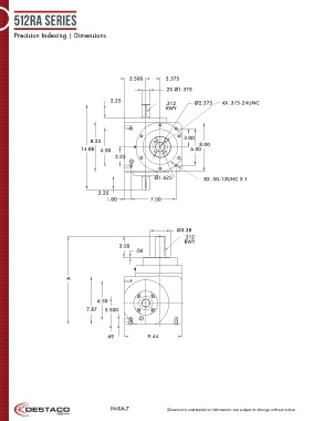
512RA Series
Precision Indexing | Dimensions
3.500 2.375
2X Ø1.375
2.25
.312 Ø2.375 4X .375-24UNC
KWY
3.00
8.25 8.00
14.00 6.50 6.00
3.25
Ø1.625 8X .50-13UNC X 1
2.25
1.00 7.50
Ø3.38
.312
KWY
3.50
.06
A
6.50
7.87 3.500
.69 9.44
512RA
IN-RA-7 Dimensions and technical information are subject to change without notice

