Page 9 - Destaco - RA Series Right Angle Index Drives
P. 9
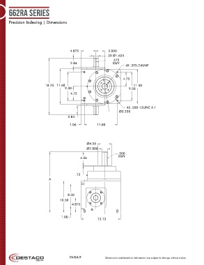
662RA Series
Precision Indexing | Dimensions
4.875 3.000
2X Ø1.625
.375
2.84 KWY
4X .375-24UNF
4.75
18.75 11.68 11.50
9.50 9.50
4.75
4X .500-13UNC X 1
Ø3.250
2.84
1.06 11.00
Ø4.56
Ø2.000
.500
4.56 KWY
.13
A
8.50
10.50
4.875
1.00
13.13
662RA
IN-RA-9 Dimensions and technical information are subject to change without notice

