Page 25 - 2019종합카다로그_Accessories
P. 25

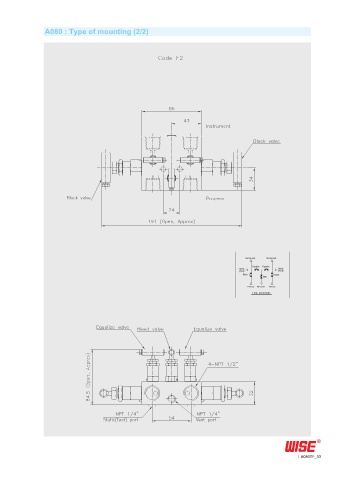
A080 : Type of mounting (2/2)

















































































                                                                                              A080TF_03
   20   21   22   23   24   25   26   27   28   29   30