Page 1260 - Workshop Manual - Aumark (BJ1051)
P. 1260

56-2
                                                  Audio system- Audio system


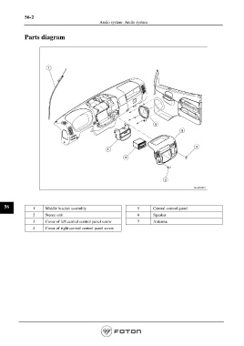
             Parts diagram


















































   56            1     Middle bracket  assembly                     5       Central control panel

                 2     Stereo unit                                  6       Speaker
                 3     Cover of left central control panel screw    7       Antenna
                 4     Cover of right central control panel screw





























                                                                                                        Page 1260
   1255   1256   1257   1258   1259   1260   1261   1262   1263   1264   1265