Page 2243 - Workshop Manual - Tunland (2017)
P. 2243

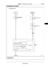
WIRING - SYSTEM CIRCUIT DIAGRAM                             71-43

                 CHARGING SYSTEM


























                                                                                                                     71





















































                   Description:
   2238   2239   2240   2241   2242   2243   2244   2245   2246   2247   2248