Page 15 - Destaco - Clean Room Grippers
P. 15
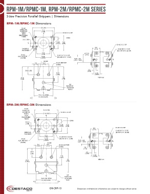
RPM-1M/RPMC-1M, RPM-2M/RPMC-2M Series
2-Jaw Precision Parallel Grippers | Dimensions
RPM-1M/RPMC-1M Dimensions
2X M2 23 [.89]
PURGE OR 19.5
SCAVENGE [.768]
PORTS 2X M2 X 4.5 DP
WITH C L
REMOVEABLE
PLUGS
OPEN
3.5 [.138]
12.00 16.0
C L [.4724] [.630]
2X M2 X 2.2 DP
8.0
SHIELDS & [.315] 2X Ø 2H7 X 1.5 DP
FASTENERS [Ø .0787 SF X .06 DP]
13.4 4 X 2.8
2X M2 [.528] 2X Ø 2 H7 X 3.3 DP [.112]
AUX. AIR PORT 16.00 [Ø .0787 SF X .13 DP]
(CLOSE) [.6300] 5.69 ±.03
[.224 ±.001] C L
CLOSE
4.5 10.5 2X M3 AIR PORT
[.177] [.414] (OPEN)
2.5
2X 8 [.32] [.098]
16.0 6.50
[.630] [.2559]
24.0 23 VIEW A-A
[.945] [.92]
M3
PURGE OR
SCAVENGE
PORTS
C L
19.2 [.76] OPEN
16 [.63] CLOSE
A A
RPM-2M/RPMC-2M Dimensions
2X M2
PURGE OR 24.0 [.94]
SCAVENGE 2X M2 X 4.5 DP
PORTS 21.0 [.827]
WITH C L
REMOVEABLE
PLUGS
OPEN
2X 3.5
[.138] 12.00 16.0
C L [.4724] [.630]
8.0 2X M2 X 2.2 DP
[.315]
2 X Ø 2H7 X 1.5 DP
SHIELDS & [Ø.0787 SF X .06 DP]
FASTENERS
13.4
[.528] 2 X Ø 2H7 X 3.3 DP
2X M2 16.00 [Ø.0787 SF X .13 DP]
5.69 ±.03
AUX. AIR PORT [.6300] [.224 ±.001] C L
(CLOSE) CLOSE
5.2 10.5 2X M3 AIR PORT
[.206] [.414]
(OPEN) 2.8
[.112]
2X 9 2.5
[.36] [.098]
6.50
17.0 [.2559]
[.669]
25.5 25 VIEW A-A
[1.005] [.98]
M3
C L
PURGE OR
20.8 [.82] OPEN SCAVENGE
16 [.63] CLOSE PORT
A A
GR-CRP-15 Dimensions and technical information are subject to change without notice

