Page 16 - Destaco - Clean Room Grippers
P. 16
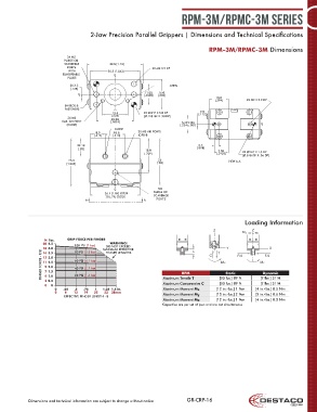
RPM-3M/RPMC-3M Series
2-Jaw Precision Parallel Grippers | Dimensions and Technical Specifications
RPM-3M/RPMC-3M Dimensions
2X M2
PURGE OR
SCAVENGE 30.0 [1.16]
PORTS 2X M2 X 5 DP
WITH 26.5 [1.043]
REMOVEABLE C L
PLUGS
2X 3.5 OPEN
[.138]
11.00 16.0
C L [.4330] [.630] 10.0
[.394] 2X M2 X 2.2 DP
SHIELDS &
FASTENERS
2.8
13.4 2X Ø3H7 X 5.0 DP [.112]
[.528] [Ø.1181SF X .20 DP]
2X M2 20.00
AUX. AIR PORT [.7874] 5.69±.03
(CLOSE) [.224±.001] C L
CLOSE
8.0 10.5 2X M3 AIR PORTS
[.314] [.414] (OPEN)
2X 10 2.5
[.38] 18.0 [.098] 7.50
[.709] [.2953] 2X Ø2H7 X 1.5 DP
[Ø.0787SF X .06 DP]
25.5 25 VIEW A-A
[1.005] [.98]
C L M3
26.4 [1.04] OPEN PURGE OR
20 [.79] CLOSE SCAVENGE
A A PORTS
Loading Information
Z Z
MZ
N lbs. GRIP FORCE PER FINGER
20 4.5 100 PSI [7 bar] WARNING!
DO NOT EXCEED
18 4.0 80 PSI [5.5 bar] MAXIMUM EFFECTIVE L C T Y F/2 F/2 X
FINGER FORCE - F/2 13 9 7 3.0 60 PSI [4.1 bar] MX MY
FINGER LENGTHS
3.5
16
2.5
11
2.0
40 PSI [2.7 bar]
1.5
RPM
Static
Dynamic
2 4 1.0 20 PSI [1.4 bar] Maximum Tensile T [20 lbs.] 89 N [7 lbs.] 31 N
0.5
0 0 Maximum Compressive C [20 lbs.] 89 N [7 lbs.] 31 N
0 .25 .5 .75 1 1.25 1.5 in. Maximum Moment Mx [12 in.-lbs.] 1 Nm [4 in.-lbs.] 0.5 Nm
0 6 13 19 25 32 38mm Maximum Moment My [15 in.-lbs.] 2 Nm [5 in.-lbs.] 0.6 Nm
EFFECTIVE FINGER LENGTH - L
Maximum Moment Mx [12 in.-lbs.] 1 Nm [4 in.-lbs.] 0.5 Nm
† Capacities are per set of jaws and are not simultaneous
Dimensions and technical information are subject to change without notice GR-CRP-16

