Page 1278 - Workshop Manual - Aumark (BJ1051)
P. 1278
61-6
Circuit-Guide to circuit
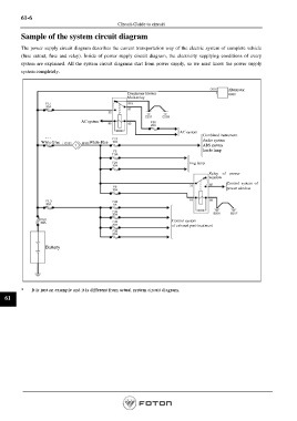
Sample of the system circuit diagram
The power supply circuit diagram describes the current transportation way of the electric system of complete vehicle
(fuse cutout, fuse and relay). Inside of power supply circuit diagram, the electricity supplying conditions of every
system are explained. All the system circuit diagrams start from power supply, so we must know the power supply
system completely.
Alternator
Condenser blower
Main relay
AC system
AC system
Combined instrument
White-Blue White-Blue Audio system
ABS system
Inside lamp
Fog lamp
Relay of power
window
Control system of
power window
Control system
of exhaust post-treatment
Battery
* It is just an example and it is different from actual system circuit diagram.
61
Page 1278

