Page 1314 - Workshop Manual - Aumark (BJ1051)
P. 1314
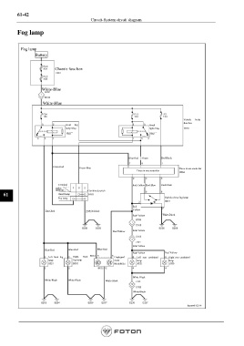
61-42
Circuit-System circuit diagram
Fog lamp
Fog lamp
Battery
Chassis fuse box
White-Blue
White-Blue
Vehicle body
fuse box
Front fog Small
lamp relay light relay
Blue-Red Green Red-Black
Green-Red Green-Blue Three in one controller
Three in one controller
Terminal Red-Yellow Red-Blue Red-Green
Switch
(position) Combined switch
61 Small lamp
Fog lamp Switch of rear fog lamp
Red-
Yellow
Blue-Red White-black
Red-Yellow White-Black
Red-Yellow Red-Yellow
Red-Yellow
Blue-Red Blue-Red Blue-Red
Red-Yellow Red-Yellow
Left front fog Right front Combined Left rear combined Right rear combined
lamp fog lamp meter lamp lamp
White-Black
White-Black White-Black White-Black
White-Black
Page 1314

