Page 1318 - Workshop Manual - Aumark (BJ1051)
P. 1318
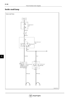
61-46
Circuit-System circuit diagram
Inside small lamp
Inside small lamp
Battery
Chassis fuse box 1
White-Blue
White-Blue
Vehicle body fuse box
Small lamp relay
Green
61 Green-Blue Green
Terminal
Switch
(position) Backgro Combined meter
Combined switch
und
Small lamp indicator
Big lamp
White-Black White-Black
Page 1318

