Page 1346 - Workshop Manual - Aumark (BJ1051)
P. 1346
61-74
Circuit-System circuit diagram
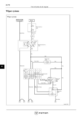
Wiper system
Wiper system
ON/START
Ignition switch Battery
Chassis fuse box 1
Black-White White-Red
white
IG power
supply
relay
Vehicle body fuse box
Blue
Blue
Washer motor
Blue Blue- White Blue
White-Black Blue
61
Terminal Blue
Switch
(position)
Interval
Low speed Combined switch
High speed Blue
controller
Three in one
Cyan-Black Three in one
controller
Blue-Yellow
White-Black Blue- Blue-Red
Black Blue-Orange
Wiper motor
White-Black
Page 1346

