Page 273 - Workshop Manual - Aumark (BJ1051)
P. 273
04-129
Diagnosis- illumination
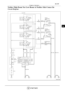
Neither High Beam Nor Low Beam At Neither Side Comes On
Circuit Diagram
block B050
left relay front left
body fuse
combined lamps
blue-black Main beam
Dipped beam
beam relay 04
high beam
red-yellow
front right
combined lamps
white-black Dipped beam
high beam
right relay
Main beam
red-blue white-black
combination meter
lighting
relay blue-white white-black
white-blue
red-white red-white red-yellow red-green white-black white-black
white-blue
connector
h (position)
chassis cubicle
fuse block headl Dipped beam switch
1 ight
switc Main beam
overtake
white-black white-black
white
white-black
battery
Page 273

