Page 279 - Foton Workshop Manual - Auman EST-M
P. 279
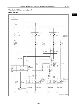
Diagnosis - Diagnosis-fault diagnosis of electronic and electrical parts DI - 225
The height of high beam is not adjustable IN
Circuit diagram
DI
Battery
EG
White TR
AX
Frame fuse Low beam Low beam
box lamp relay lamp relay FR
Instrument
fuse box
ST
Red
BR
Red
BW
Red -
Red - Black White Blue - black
EL
Dipped headlight relay
Red - Green
Red - Red -
White White Green
Regulatin
Red - g switch Red - Blue
Yellow of high
beam Red -
Light Black
Low beam combination
lamp switch
High beam
lamp
Passing
light
Red - Red - Red -
White Red -
Yellow Yellow White
Black
Left front Right front
Left front low beam lamp Left front high beam ion light Right front lamp beam light
combinat
combination
White - Red - low beam Right front high
black Yellow
White - black White - black White - black White - black
Body controller B2
DI-225

