Page 2332 - Workshop Manual - Tunland (2017)
P. 2332

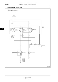
71-132                        WIRING - SYSTEM CIRCUIT DIAGRAM

           COOLING FAN SYSTEM


























      71
   2327   2328   2329   2330   2331   2332   2333   2334   2335   2336   2337