Page 2337 - Workshop Manual - Tunland (2017)
P. 2337

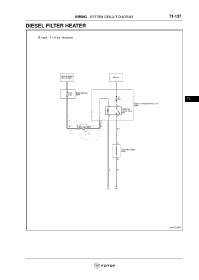
WIRING - SYSTEM CIRCUIT DIAGRAM                           71-137

                 DIESEL FILTER HEATER


























                                                                                                                     71
   2332   2333   2334   2335   2336   2337   2338   2339   2340   2341   2342