Page 1043 - 2006 HARLEY FLSTCI SERVICE MANUAL
P. 1043
COPPER STUD
[5] IGNITION SWITCH (REAR VIEW) [33A]
BK
RED BAND CIRCUIT BREAKER 30 AMP
70044-96 R A B I
BK [33B] [91A]
R R/BK 1
BATTERY GY 4
BK BK LGN/V 2 3 DATA LINK
[64B] R/BK R [83B] [83A]
[128B] H 15A J Y/BE W/BK BE/O 1 2 3 1 2 3
IGNITION 15A BATTERY IGNITION COIL
STARTER [128A] G I
BN/GY
GY
2 CRANK POSITION SENSOR R BK [79A]
3 [GND1&2] 2 1
BK
1
BK
BK 2 1
BK R [79B]
8910 1112
TRIP RETURN
TRIP SOURCE
7 BK
GROUND
123456 BN/GY LGN/V W/BK BN/GY R/W BK/W BK BE/O Y/BE R BK V/W LGN/V
ACCESSORY
BATTERY
SECURITY LP
SERIAL DATA
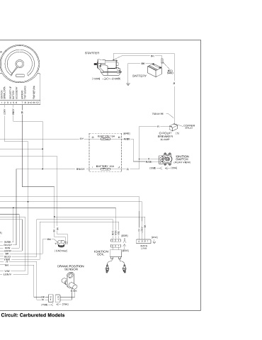
SPEEDOMETER [39A] [39B] R/W V/W BK/W [10B] [10A] 1 1 2 2 3 3 4 4 5 5 6 6 7 7 8 8 9 9 10 10 11 11 12 12 Figure 8-1. Ignition System Circuit: Carbureted Models
IGNITION
[80B] RUN/STOP SIGNAL BATTERY +5V SENSOR PWR SENSOR GROUND MODULE GROUND COIL FRONT COIL REAR CRANK SENSOR (+) CRANK SENSOR (-) VEHICLE SPD SIG MAP SIGNAL SERIAL DATA
C C B B A A
RIGHT HAND CONTROLS, [ 162 ] RIGHT TURN SWITCH ENGINE STOP/RUN SWITCH START SWITCH STOPLIGHT SWITCH MAP SENSOR [80A] IGNITION CONTROL MODULE SOCKET CONNECTOR
[22B] [22A] PIN CONNECTOR (A side) (B side)
1 1
2 2
3 3 GY
GY
A G M
4 4 W/BK
W/BK
5 5 SPARE 15A EMPTY EMPTY
6 6 B H O
sd0043 C I R Q P TOP VIEW LT.GN - Light Green Wire color-XX/XX-Stripe color
[30A] 1 2 [30B] GY BN/GY RED/GRAY COMPONENTS LOCATED UNDER SEAT START RELAY E K S T U Wire Color Code Key PK - Pink TN - Tan
TURN SIGNAL/SECURITY RIGHT TURN SWITCH INPUT 7 9 8 10 POSITION RED/BLACK P&A ACC C D BATTERY I J 15A ACCESSORIES P R 15A TOP VIEW BK - Black BN - Brown R - Red O - Orange Y - Yellow
BATTERY
IGNITION
SERIAL DATA
TSM/TSSM MODULE SECURITY INDICATOR 3 5 4 6 LGN/V IGNITION SWITCH LEGEND RED DOT INDICATES CONTINUITY WITH RED WIRE IN SWITCH POSITION INDICATED INSTRUMENTS A B 15A IGNITION G H 15A LIGHTS M O 15A GN - Green BE - Blue V - Violet GY - Gray W - White
LEFT TURN FEED
RIGHT TURN FEED
LEFT TURN SWITCH INPUT
START RELAY CONTROL
IGNITION ENABLE SIGNAL
GROUND
ALARM SIGNAL 11 12 BK SWITCH OFF ACC. IGNITION EMPTY E F EMPTY K L HEADLAMP S U 15A
HOME sd0043xxx
2006 Softail: Electrical 8-5

