Page 1044 - 2006 HARLEY FLSTCI SERVICE MANUAL
P. 1044
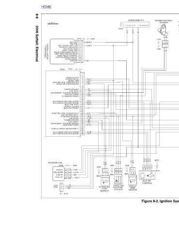
CRANK POSITION BK IGNITION MANIFOLD FUEL PUMP SENSOR SWITCH REAR BATTERY AIR & SENDER [REAR VIEW] INJECTOR PRESSURE FRONT ASSY SENSOR INJECTOR D C AB [33A] [86B] BK BK I AB O/GY R BK [33B] [80A] [79A] BC A 1 2 [85A] [84A] A B R C AB 2 1 R/BK A B [79B] A B [80B] R BK A B [85B] R/W V/W BK/W [84B] [64B] BK Y/GN GN/GY W/Y Y/GN H 15A IGN G R/BK GY STARTER J 15A BATTERY I R BN/GY CIRCUIT 15A L FUEL PUMP K BREAKER Y/GN O/GY BK BAT 15A ECM COPPER F E R BE/GY SILVER AUX R 87A I Y/GN 30 Q SYSTEM BE/GY 87 C 85 GN/O P RELA
D
BK/O
12 789 10 11 BN/R BE/GN BK/PK ABC A B C D IDLE AIR CONTROL
SPEEDOMETER 123456 BK BN/GY PK/Y BK/W A B A B ENGINE TEMP SENSOR
[39B] LGN/V R/W [90B] 1 1 [90A]
2 2 THROTTLE POSITION SENSOR
BK/W
3 3
GY/V
[88B] [88A]
12 12 INTAKE AIR TEMP SENSOR
BK/W
LGN/Y
[89B] [89A]
[30B]
BN/GY LGN/V BK GN/O LGN/V PK/Y LGN/Y BK Y/BE BK+ W/BK R/W BK/O BK/PK GN/GY W/Y GY/V V/W BK/W GY/BE BK BE/O R+ BE/GY BE/GN BN/R
1 2 3 4 5 6 7 8 9 10 11 12 13 14 15 16 17 18 19 20 21 22 23 24 25 26 27 28 29 30 31 32 33 34 35 36
[30A] 1 2 3 4 5 6 7 8 9 10 11 12 BE/O
BATTERY IGNITION VSS / SERIAL DATA LINK SECURITY INDICATOR LEFT TURN FEED RIGHT TURN FEED START RELAY CONTROL IGNITION ENABLE SIGNAL ALARM SIGNAL GROUND [78A] TACH OUTPUT SYSTEM RELAY SERIAL DATA INTAKE AIR TEMPERATURE POWER GROUND COIL REAR SWITCH POWER 5V SENSOR POWER INJECTOR REAR OUTPUT (unused) INJECTOR FRONT MAP SENSOR INPUT 5V SENSOR GROUND ION SENSE POWER GROUND COIL FRONT CONSTANT POWER [83B] Y/GN A GY/BE B Y/BE C D GY LGN/V BK
RIGHT TURN SWITCH INPUT LEFT TURN SWITCH INPUT ECM COOLANT (AIR) TEMPERATURE CRANKSHAFT POSITION SENSOR IDLE SPEED CONTROL MOTOR IDLE SPEED CONTROL MOTOR THROTTLE POS. SENSOR INPUT CRANKSHAFT POSITION SENSOR VEHICLE SPEED SENSOR INPUT IDLE SPEED CONTROL MOTOR IDLE SPEED CONTROL MOTOR [83A] POWER A ION SENSE B COIL RR C COIL FRT D 4 3 2 1 [91A]
sd0053xxx sd0053 IGNITION COIL DATA LINK
HOME TURN SIGNAL & SECURITY MODULE
8-6 2006 Softail: Electrical

