Page 1607 - Foton Workshop Manual - Auman EST-M
P. 1607
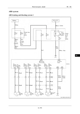
Electrical system –circuit EL - 183
IN
ABS system
ABS braking anti-blocking system 1 DI
Battery Ignition switch EG
IG1
White
Black - Yellow TR
AX
Frame fuse IG1
box relay Instru
F101 R10 ment FR
fuse
box
Black - Red B100
Red ST
Red
BR
Black - White
Red -black
Red White - blue BW
EL
ABS battery IG1 power
power supply supply
Left Right Right Left Left Right Right
front wheel Left front wheel front wheel rear wheel rear wheel rear wheel rear wheel
speed sensor front wheel speed sensor speed sensor speed sensor speed sensor speed sensor speed sensor
power supply speed sensor power supply signal power supply signal power supply signal
signal
Brown Brown Black Brown Black Brown Black
Black
White White
-black -black
Brown Brown
Black Black
Brown Black Brown Black
White
Brown Black Brown Black -black
Left Right Left Right rear wheel
front wheel front wheel rear wheel speed sensor
speed sensor speed sensor speed sensor H006
F020 F016 H007
EL-183

