Page 2270 - Foton Workshop Manual - Tunland (AT)
P. 2270

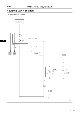
71-68                         WIRING - SYSTEM CIRCUIT DIAGRAM

           REVERSE LAMP SYSTEM


























      71































































                                                                                                        Page 2270
   2265   2266   2267   2268   2269   2270   2271   2272   2273   2274   2275